Product Summary
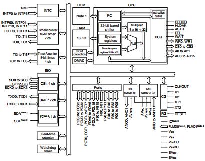
The UPD70F3233M2GK(A)-9EU-E3 is a 32-bit single-chip microcontroller, and include peripheral functions such as ROM/RAM, timer/counters, serial interfaces, an A/D converter, a D/A converter, and a DMA controller. In addition to its high real-time responsiveness and one-clock-pitch execution of instructions, the UPD70F3233M2GK(A)-9EU-E3 includes instructions suited to digital servo control applications such as multiplication instructions executed via a hardware multiplier, saturation instructions, and bit manipulation instructions. As a real-time control system, this device provides a high-level cost performance ideal for ultra-low-power DVC and portable audio applications.
Parametrics
UPD70F3233M2GK(A)-9EU-E3 absolute maximum ratings: (1)Supply voltage, VDD: -0.5 to +3.6 V; (2)Input voltage, VI: -0.5 to EVDD +0.3V; (3)Clock input voltage, X1, VDD = 2.2 to 2.7 V, VK: -0.5 to VDD +0.3V; XT1, VDDBU = 2.2 to 2.7 V, VKT: -0.5 to VDDBU +0.3V; (4)Analog input voltage, VIAN: -0.5 to AVDD +0.3V; (5)Analog reference voltage, AVREF: -0.5 to AVDD +0.3V; (6)Output current, low, Per pin, IOL: 4 mA; Total for all pins: 100 mA; (7)Output current, high, Per pin, IOH: -4 mA; Total for all pins, IOH: 100 mA; (8)Output voltage, VO: -0.5 to VDD +0.3V; (9)Operating ambient temperature, TA: -40 to +85℃; (10)Storage temperature, Tstg: -65 to +150℃.
Features
UPD70F3233M2GK(A)-9EU-E3 features: (1)Number of instructions: 83; (2)Minimum instruction execution time: 59 ns (@ 17 MHz operation with main system clock (fXX)); 74 ns (@ 13.5 MHz operation with main system clock (fXX)); (3)General-purpose registers: 32 bits ×32 registers; (4)Instruction set: Signed multiplication, saturation operations, 32-bit shift instructions, bit manipulation instructions, load/store instructions; (5)Memory space: 64 MB linear address space Memory block division function: 2 MB, 2 MB, 4 MB, 8 MB = Total four blocks; (6)External bus interface: 16-bit data bus; Address bus: Separate output enabled; (7)Interrupts and exceptions Non-maskable interrupts: 2 sources; (8)I/O lines Total: 82; (9)Timer/counters 16-bit timer: 2 channels; 8-bit timer: 4 channels; (10)Real-time counter (for watch): 1 channel; (11)Watchdog timer: 1 channel.
Diagrams

![]() |
![]() UPD70008AG-4 |
![]() Other |
![]() |
![]() Data Sheet |
![]() Negotiable |
|
||||
![]() |
![]() UPD70236AGD-10-5BB |
![]() Other |
![]() |
![]() Data Sheet |
![]() Negotiable |
|
||||
![]() |
![]() UPD7030025AGC-25 |
![]() Other |
![]() |
![]() Data Sheet |
![]() Negotiable |
|
||||
![]() |
![]() UPD703014A |
![]() Other |
![]() |
![]() Data Sheet |
![]() Negotiable |
|
||||
![]() |
![]() UPD703014AY |
![]() Other |
![]() |
![]() Data Sheet |
![]() Negotiable |
|
||||
![]() |
![]() UPD703015A |
![]() Other |
![]() |
![]() Data Sheet |
![]() Negotiable |
|
||||
(China (Mainland))








