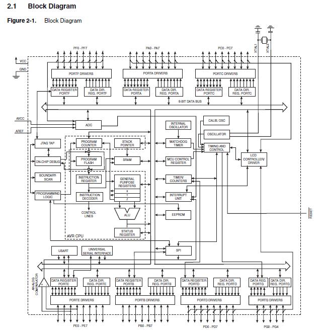
Product Summary
The ATMEGA169PV-8AU is a low-power CMOS 8-bit microcontroller based on the AVR enhanced RISC architecture. By executing powerful instructions in a single clock cycle, the ATMEGA169PV-8AU achieves throughputs approaching 1 MIPS per MHz allowing the system designer to optimize power consumption versus processing speed.
Parametrics
ATMEGA169PV-8AU absolute maximum ratings: (1)Operating Temperature: -55℃ to +125℃; (2)Storage Temperature: -65℃ to +150℃; (3)Voltage on any Pin except RESET with respect to Ground: -0.5V to VCC+0.5V; (4)Voltage on RESET with respect to Ground: -0.5V to +13.0V; (5)Maximum Operating Voltage: 6.0V; (6)DC Current per I/O Pin: 40.0 mA; (7)DC Current VCC and GND Pins: 400.0 mA.
Features
ATMEGA169PV-8AU features: (1)High Performance, Low Power AVR?8-Bit Microcontroller; (2)Advanced RISC Architecture: 130 Powerful Instructions-Most Single Clock Cycle Execution, 32 x 8 General Purpose Working Registers, Fully Static Operation, Up to 16 MIPS Throughput at 16 MHz, On-Chip 2-cycle Multiplier; (3)Non-volatile Program and Data Memories; (4)16K bytes of In-System Self-Programmable Flash Endurance: 10,000 Write/Erase Cycles, Optional Boot Code Section with Independent Lock Bits In-System Programming by On-chip Boot Program True Read-While-Write Operation, 512 bytes EEPROM Endurance: 100,000 Write/Erase Cycles, 1K byte Internal SRAM, Programming Lock for Software Security; (5)JTAG (IEEE std. 1149.1 compliant) Interface: Boundary-scan Capabilities According to the JTAG Standard, Extensive On-chip Debug Support, Programming of Flash, EEPROM, Fuses, and Lock Bits through the JTAG Interface.
Diagrams

| Image | Part No | Mfg | Description | ![]() |
Pricing (USD) |
Quantity | ||||||||||||
|---|---|---|---|---|---|---|---|---|---|---|---|---|---|---|---|---|---|---|
![]() |
![]() ATMEGA169PV-8AU |
![]() Atmel |
![]() 8-bit Microcontrollers (MCU) AVR 16K FLASH 512B EE 1K SRAM 5V |
![]() Data Sheet |
![]()
|
|
||||||||||||
![]() |
![]() ATMEGA169PV-8AUR |
![]() Atmel |
![]() 8-bit Microcontrollers (MCU) AVR LCD 16KB FLSH EE 512B 1KB SRAM-8MHZ |
![]() Data Sheet |
![]()
|
|
||||||||||||
(China (Mainland))










